Не горят лампы ПТФ. Не сгорели.
Сестрорецк 18-02-2013 Член клуба Сообщений: 284 Lada Largus 7 мест 16V |
Сегодня решил поменять лампы ПТФ, что с ними еще может быть: перегорели, думал я. Но закрадывались сомнения: почему обе? Прозевал наверно первую. Почему индикатор зеленый на панели приборов не горит? Вставлю лампы и загорится. Причем задний ПТФ горит и индикатор тоже. Купил лампы на Алиэкспрес (первый раз пользовался сим сайтом, спасибо форумчанам). Проверил - работают. Поставил - ноль результат. Я в непонятках. 450.000 К4М 0.738 ГБО BRC Мы ещё вместе! | ||||
Новокузнецк 24-01-2015 Сообщений: 39 Lada Largus 7 мест 16V |
для начала посмотреть реле, предохранители | ||||
Липецк 01-03-2014 Сообщений: 5667 Lada Largus 7 мест 16V |
Редактировалось: 1 раз (Последний: 7 июня 2015 в 22:20) К4М | ||||
Новокузнецк 24-01-2015 Сообщений: 39 Lada Largus 7 мест 16V |
какой там провод, индикатор запитан от противотуманки после реле | ||||
Сестрорецк 18-02-2013 Член клуба Сообщений: 284 Lada Largus 7 мест 16V |
Извеняюсь, конечно сморел. Предохранитель самый нижний фиолетовый F31 - целый. Реле на ПТФ менял местами с реле топливного насоса. Насос работает. 450.000 К4М 0.738 ГБО BRC Мы ещё вместе! | ||||
Липецк 01-03-2014 Сообщений: 5667 Lada Largus 7 мест 16V |
никитич, снимайте левый переключатель и паяйте провод , или езжайте к ОД для его замены по гарантии Файл "http://largusladaclub.ru/upload/forum/f0ffe118e5edd2de7a0c440596b591eb.jpg" не найден! ps фото про неисправность сигнала, но управление ПТФ там же Добавлено новое сообщение 07-06-2015 в 22:28:37:
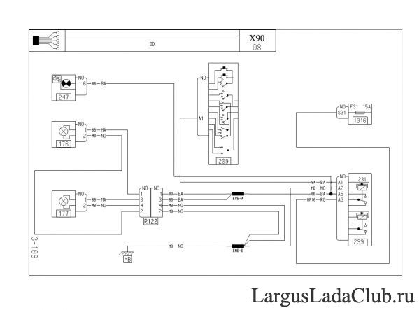
переключатель включает реле, которое своими контактами включает лампы ПТФ и индикатор в приборке, а т к нет управления, то не работает реле и не работают лампы и индикатор, соответственно 31 предохранитель должен быть цел ![]() Редактировалось: 3 раз (Последний: 7 июня 2015 в 22:34) К4М | ||||
Сестрорецк 18-02-2013 Член клуба Сообщений: 284 Lada Largus 7 мест 16V |
+1 oapv, Спасибо. Только-только закончилась гарантия. Пробег 103т.км. А ведь я читал про этот случай у кого-то. Но не врубился. Теперь понял, скорее так и есть. Завтра как раз выходной, попробую разобрать. Уже руки чешутся. На гарантии ведь никуда не лазал. Добавлено новое сообщение 08-06-2015 в 17:20:32: Ура, сделал. Маленький отчет. Разобрал, вот, что было: ![]() ![]() Мне кажется короткий он и жилы были стального цвета. Лампы ПТФ горят. Спасибо всем участвующим. 450.000 К4М 0.738 ГБО BRC Мы ещё вместе! | ||||
Балашиха 13-08-2012 Член клуба Сообщений: 943 Lada Largus 5 мест 16V |
Решил спросить в этой теме, как не как связано с ПТФ. При включении ПТФ не горит индикация на щитке приборов,сами ПТФ работают, что может быть и куда нырять? Спасибо! город Балашиха | ||||
Липецк 01-03-2014 Сообщений: 5667 Lada Largus 7 мест 16V |
selegta, подрулевой при включенных габаритах включает реле ПТФ , реле ПТФ подает питание на сами ПТФ и на индикатор, в вашем случае неисправна либо проводка либо приборка К4М | ||||
Балашиха 13-08-2012 Член клуба Сообщений: 943 Lada Largus 5 мест 16V |
oapv, Всё работает кроме зелёного индикатора на приборке ПТФ. Вопрос, в приборке на индикатор лампа или светодиод впаеный? город Балашиха | ||||
Липецк 01-03-2014 Сообщений: 5667 Lada Largus 7 мест 16V |
К4М | ||||
Балашиха 13-08-2012 Член клуба Сообщений: 943 Lada Largus 5 мест 16V |
oapv, Понял, спасибо. город Балашиха | ||||
Дзержинск 31-12-2012 Член клуба Сообщений: 643 Lada Largus 7 мест 16V |
oapv, Тоже возникла такая проблема, сегодня устранил. Спасибо за подсказку. Добавлено новое сообщение 27-07-2016 в 23:05:06: Устранение описал здесь: http://largusladaclub.ru/blogs/lyolik-yeto-zvuchit-gordo/kovarstvo-levogo-podrulevogo-pereklyuchatelja.html | ||||
Тюменцево 02-02-2013 Сообщений: 160 Lada Largus 5 мест 16V |
А у меня немного другая проблема с птф. При включении сразу перегорает предохранитель, ставил и большим номиналом. Моргнули и предохранитель отключает их. | ||||
Камышин 03-09-2013 Член клуба Сообщений: 4171 Lada Largus 7 мест 16V |
Edepskiy36, ищи пробой проводки, прозванивай "на массу" февраль 2013-го. К4М, гишпанец, 104.7 л.с., 77 кВт, 148 Н*м при 3750 об/мин. глянцевая борода с саблями и тряпки на дверях))) газ-тросиковый...был...продал. вынужденно....грущу |
| В начало страницы |
Быстрый ответ
Чтобы писать на форуме, зарегистрируйтесь или авторизуйтесь.






Мне кажется короткий он и жилы были стального цвета. Лампы ПТФ горят.
Спасибо всем участвующим.